Přílohy
Popis produktu
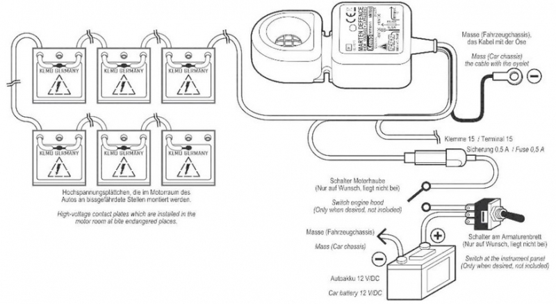
Ultrazvuková ochrana proti kunám
Dvojnásobná ochrana proti kunám: Zabudovaný piezo ultrazvukový výškový reproduktor vydává vysoký tón, kterému se kuny raději vyhnou. Pokud by se i přes tuto ochranu nějaké zvíře dostalo do auta, zasáhne je díky zabudovaným destičkám s vysokým napětím elektrický proud, který jej vyžene. Oba typy ochrany nejsou životu nebezpečné pro člověka a zvěř.
Během servisních prací by měl být odpuzovač vypnut, proto je doporučena montáž dodatečného spínače.
Technické specifikace
- Rozměr vysokonapěťové destičky: cca 40 x 40 mm
Technické parametry
- Úhel vyzařování 150 °
- Provozní napětí 12 V
- Frekvence cca. 22 KHz
- Množství 1 ks
- Proudový odběr 5 mA
- Vnější šířka 70 mm
- Vnější výška 31 mm
- Vnější délka 125 mm
Vybavení
- Dvojnásobný účinek
- Ultrazvuk a vysoké napětí
Vlastnosti
- Piezo ultrazvukový výškový reproduktor
- Vysokonapěťové destičky
- Vypne se při nízkém napětí





